Motore Elettrico Tipi E Funzionamento Fare Elettronica
Motore Elettrico Tipi E Funzionamento Fare Elettronica
Motore Brushless E Motore Passo Passo
Controllo Di Motori Brushless Elettronica Open Source
Controllo Motore Hard Disk Ne555
Controllo Di Motori Brushless Elettronica Open Source
Piu Motori Brushless Nelle Auto Moderne Elettronica News
Bicicletta A Motore Elettrico Pag 2 Il Forum Di Electroyou
Utilizzare Motore Brushless Senza Radio Baronerosso It Forum Modellismo
Pilotare Un Motore Brushless Con Esc E Arduino Danielealberti It
Https Www Studocu Com It Document Politecnico Di Milano Azionamenti Elettrici Appunti Di Lezione Lezione 1 Appunti 1 5115908 View
Http Www 9 Unipv It Dmae Costruzioni Materiale Didattico Costruzioni 22 Pdf
Https Encrypted Tbn0 Gstatic Com Images Q Tbn And9gcrzzdrsfkggr2vtqts5e2qhp9vwmm0fy9ampw Usqp Cau
Breve Introduzione Ai Motori E Azionamenti Elettrici Pom Da Tera G A S Malnate
Motore Elettrico Tipi E Funzionamento Fare Elettronica
Brushless L Era Dell Elettrico Gattiger
Modifica Riavvolgimento Dei Motori Brushless Pagina 24 Baronerosso It Forum Modellismo
Motore Elettrico Tipi E Funzionamento Fare Elettronica
Motore Brushless E Motore Passo Passo
Differenze Tra Motore A Spazzole Brushed E Senza Spazzole Brushless
Azionamento Elettrico Wikipedia
Forum Indipendente Biciclette Elettriche Pieghevoli E Utility Help Con Controller Guasto Credo
Scheda Di Controllo Motore Brushless Bbl 198 Pdf Free Download
Comandare Un Motore Brushless Con Arduino Youtube
Ma Si Dai Spariamoci Un Azionamentino Brushless Per Principianti Apparati Schemi Circuiti Plc Forum
Capobranco Shop Prodotto Mn02322 Centralina 48v 1600 2000w Per Motori Senza Spazzole Brushless Capobranco Ricambi Monopattini Elettrici Centraline
Pilotare Un Motore Brushless Con Esc E Arduino Danielealberti It
Https Core Ac Uk Download Pdf 31156545 Pdf
Motore Elettrico Tipi E Funzionamento Fare Elettronica
Bici Elettrica Con Motore Brushless Pagina 2 Baronerosso It Forum Modellismo
Controllo Motore Hard Disk Ne555
Controllo Di Motori Brushless Elettronica Open Source
Dilwe 36v 48v 250w Motore Brushless Controller Alluminio Sine Wave Controller Bicicletta Elettrica Controller Motore Brushless Per E Bike E Scooter Amazon It Auto E Moto
Schema Regolatore Motore Brushless Fare Di Una Mosca
Motori Brushless Passo Passo E In Corrente Continua
Motore Brushless E Motore Passo Passo
1 9 I Sistemi Di Controllo Azionamenti Automation Story
Https Core Ac Uk Download Pdf 31156545 Pdf
Https Www Moog It Content Dam Sites Italy Pdf Servomotori Moog Motori Brushless E Non Come Funzionano Relazione Tecnica Pdf
Guida Motori Elettrici Pdf Manualzz
Pilotare Un Brushless Con Interruttore On Off Baronerosso It Forum Modellismo
Centralina Elettronica Bici Elettriche 36v Motore Senza Hall Cicloone
Nozioni Di Base Sui Motori Bldc Elettroamici
Motore Trifase Con Collegamento Monofase Docsity
Https Www Moog It Content Dam Sites Italy Pdf Servomotori Moog Motori Brushless E Non Come Funzionano Relazione Tecnica Pdf
Pre Driver Per Motori C C Brushless Trifase Mp6532 Digikey
Controllo Di Motori Brushless Elettronica Open Source
I Gate Driver Integrati Riducono L Ingombro Dei Bldc Digikey
Collegamenti Elettrici Gianf Net
Motore Brushless E Motore Passo Passo
Http Www Energiazero Org Meccatronica Dc 20motor 20brushless Pdf
Come Costruire Un Motore Brushless Con Materiali Semplici Istruzioni Di Montaggio Youtube
Centralina Elettronica Bici Elettriche 36v 15a Cicloone
Centralina Bici Elettrica 36v 250w Brushless Usato In Italia Vedi Tutte I 15 Prezzi
I Motori Elettrici In Corrente Alternata E Continua Motori Elettrici
Http Tesi Cab Unipd It 23518 1 20100419105031 Pdf
Il Motore Brushless 2 Parte Universita Degli Studi Di Pavia
Http Lezionidiscuola It B5 File 79 B5 Folder 62
Controllo Di Motori Brushless Elettronica Open Source
Https Core Ac Uk Download Pdf 31156545 Pdf
Https Www Moog It Content Dam Sites Italy Pdf Servomotori Moog Motori Brushless E Non Come Funzionano Relazione Tecnica Pdf
Il Modo Piu Efficiente Per Commutare Un Motore Bldc Digikey
Http Sb5fef15427338d25 Jimcontent Com Download Version 1432502385 Module 9511941021 Name Motori 20elettrici 20in 20c C Pdf
Dilwe 36v 48v 250w Motore Brushless Controller Alluminio Sine Wave Controller Bicicletta Elettrica Controller Motore Brushless Per E Bike E Scooter Amazon It Auto E Moto
Sensori Motore Benvenuti Su Bicielettricatest
Centralina Dc 1000w 48v Brushless Mini Racing
Pilotare Un Motore Brushless Con Esc E Arduino Danielealberti It
Https Www Artinaantonio It Plt Upload Documenti Motori 20brushless 1parte Pdf
Motori Brushless Passo Passo E In Corrente Continua Elettronica In
Il Motore Brushless 1 Parte Principi Di Funzionamento Pdf Free Download
Capobranco Shop Prodotto Ktcentralina48v1600wbrush Kit Centralina 48v 1600w Brushless Acceleratore 48v Monopattino Elettrico Capobranco Ricambi Monopattini Elettrici Centraline
Centralina Brushless Per Ebike 36v Con Pulsante Tre Livelli Di Velocita Cicloone
Motore Elettrico Tipi E Funzionamento Fare Elettronica
Il Motore Elettrico Industria Azionamento Motori Brushless Vari Siemens Logo Ebay
24v 36v 48v 350w 6 Mosfet Regolatore Brushless Bici Elettrica Per Scooter Elettrico Bldc Controller Del Motore Ebike Accessori Accessori Per Bicicletta Elettrica Aliexpress
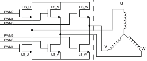
Circuiti Di Potenza Brushless Lo Schema Elettrico
Http Lezionidiscuola It B5 File 79 B5 Folder 62
Http Www 9 Unipv It Dmae Costruzioni Materiale Didattico Costruzioni 22 Pdf
Le Nuove Tendenze Tecnologiche Per Il Controllo Motore Elettronica News
Http Tesi Cab Unipd It 37671 1 Tesi Pdf
Variatore Di Giri Ciclico Per Motore Brushless Elettronica Generica Plc Forum
Forum Indipendente Biciclette Elettriche Pieghevoli E Utility
Pilotare Un Motore Dc Tramite Un Ponte Ad H Utilizzando Arduino Uno
Http Cabestano Altervista Org Alterpages Files Motoribrushless Pdf
Grix It Forum Guai Al Motore Brushless Per Bici Su Elettronica Generale
Regolazione Dei Giri Del Motore Elettrico Del Collettore 220v Regolazione Dei Giri Del Motore Asincrono
Kunray Bldc 72v 3000w Brushless Kit Motore Con 24 Mosfet 50a Controller Per Scooter Elettrico E Moto E Auto Del Motore Del Motociclo Parte Motore Per Bicicletta Elettrica Aliexpress







Comments
Post a Comment